Конденсатор CBB61 5uf для электродвигателя Evacraft

Конденсатор CBB61 5uf для электродвигателя Evacraft
350 руб.

Конденсатор CBB61 5uf для электродвигателя Evacraft


Серия конденсатора:

C - конденсатор

B - диэлектрик - неполярная органическая пленка

B - материал диэлектрика - полипропилен

61 - пластиковый корпус, квадратное исполнение

Самовосстанавливающийся SH - Self-healing


Номинальная емкость 5 uf

Допустимое отклонение емкости ±5%

Номинальное напряжение переменного тока 450VAC

Рабочая частота 50/60Hz

Климатическое исполнение 40 - Минимальная допустимая температура: -40 °С

85 - Максимальная допустимая температура: +85 °С

21 - Испытание нагреванием во влажной среде на протяжении 21 дня



Транспортные размеры:

5uf (мм) - 46.5 x 35 x 45



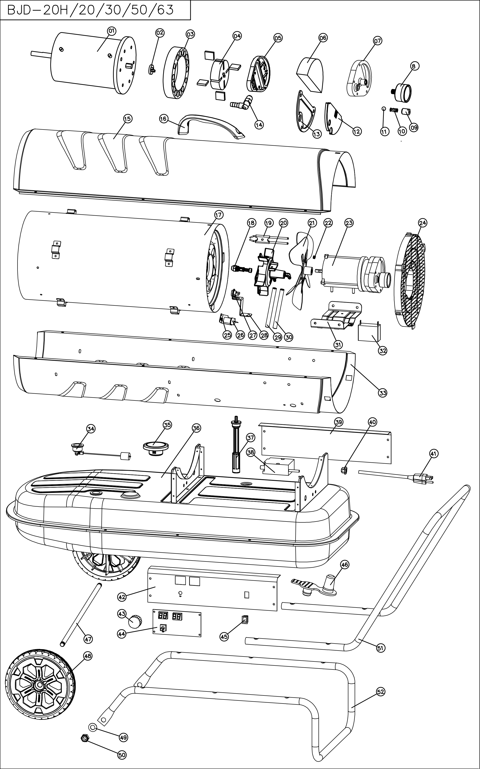
Позиция на схеме №32

Конденсатор CBB61 5uf для электродвигателя Evacraft


Серия конденсатора:

C - конденсатор

B - диэлектрик - неполярная органическая пленка

B - материал диэлектрика - полипропилен

61 - пластиковый корпус, квадратное исполнение

Самовосстанавливающийся SH - Self-healing


Номинальная емкость 5 uf

Допустимое отклонение емкости ±5%

Номинальное напряжение переменного тока 450VAC

Рабочая частота 50/60Hz

Климатическое исполнение 40 - Минимальная допустимая температура: -40 °С

85 - Максимальная допустимая температура: +85 °С

21 - Испытание нагреванием во влажной среде на протяжении 21 дня



Транспортные размеры:

5uf (мм) - 46.5 x 35 x 45



Позиция на схеме №32